Rapid Manufacturing for Advanced Materials

FORM THE IMPOSSIBLE

Voltic Forms leverages resistance-based sintering (RBS) to rapidly consolidate metal and composite powders into fully dense, high-performance components—up to 300× faster and with 97% less energy than conventional manufacturing.


ABOUT

Voltic Forms transforms metal and composite powders into fully dense, high-performance components in milliseconds using our proprietary resistance-based sintering (RBS) technology.

Unlike conventional sintering processes that rely on long furnace cycles, RBS delivers energy directly into the material, dramatically reducing processing time, energy consumption, and manufacturing complexity.

Backed by Materials Implemented Inc (MII), Edison Welding Institute (EWI), and affiliated with Powders on Demand (POD) and Solvus Global, Voltic Forms brings together deep expertise in materials science, advanced manufacturing, and industrial scale-up to accelerate the adoption of next-generation powder consolidation technologies across defense, aerospace, and industrial markets.

APPLICATIONS

Voltic Forms enables rapid production of critical materials for:

  • Defense systems

  • Air and space vehicles

  • Electrical and magnetic components

  • Advanced propulsion systems


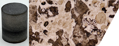
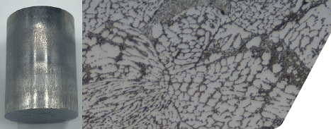
Astaloy® Gear Steel


Aluminum–magnesium–silicon


C10100 Copper


Grade 1 Titanium Alloy


Aluminum-Graphene Composite


Molybdenum Modified


Soft Magnetic Steel


Rare-earth Magnet

See the Technology in Action

Resistance-Based Sintering (RBS)

RBS is a new manufacturing paradigm—a physics‑driven breakthrough that uses Joule heating and axial pressure to consolidate powders instantaneously to full density.

Resistance-based sintering (RBS) is an advanced powder consolidation process that applies high electrical current and pressure to rapidly densify materials within a die integrated into a resistance welding system. Unlike conventional approaches, RBS uses significantly higher current levels and extremely short processing times to achieve consolidation—typically in the millisecond to sub-second range. This enables near-instantaneous bonding of metal and composite powders into fully dense components, dramatically reducing cycle time while maintaining material performance.

Why it Matters

300x

300x FASTER PRODUCTION
Parts consolidated in milliseconds vs. minutes or hours

97%

UP TO 97% LESS ENERGY
Eliminates bulk heating and furnace inefficiencies

FULL-DENSITY PERFORMANCE
Comparable to forged components

SIMPLIFIED MANUFACTURING
No furnaces, vacuum chambers, or inert gases required

BROAD MATERIAL COMPATIBILITY
Aluminum • Copper • Titanium • Steels • Refractory Metals • Magnetic Materials • Advanced Composites


MISSION

To revolutionize manufacturing by enabling rapid, energy-efficient production of high-performance components at scale.


VISION

To redefine domestic manufacturing through speed, flexibility, and advanced material capability.

Contact Us

BRAD RICHARDS, President